欢迎来到罗托克(天津)自动化技术有限公司网站!
咨询热线

13920013383

当前位置:首页  >  产品中心  >  罗托克电动执行器  >  开关型执行器  >  TIT执行机构

TIT执行机构

简要描述:TIT执行机构它是一个智能化的控制系统。SD系列智能型电动机执行机构,在充分砐取了国内外同类产品*进技术的前提下,根据我国工业控制系统特点,利用现代单片机技术将其功能*由可靠性的PIC-16C711单片机为核心完成各种控制、各种功能由“软件“程序去完成。

  • 产品型号:
  • 厂商性质:生产厂家
  • 更新时间:2025-08-04
  • 访  问  量: 5117

详细介绍

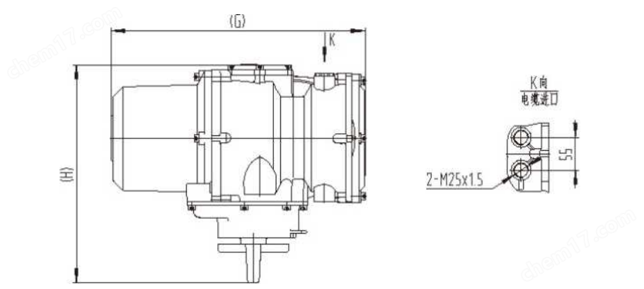
TIT执行机构靖构尺寸(直驟式)

image.png

image.png

image.png

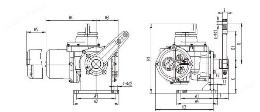
TIT执行机构靖构尺寸(底座式)

image.pngimage.png

Fl




■孔

ft

ft

A

B

HT+VF/27iaK(F)NP

TIT+VF/JTiamHNP

04J]Q

F

BBS

M3X12S


B 00 □„

2-011


043

F



TIT执行机构设置角度(角行程)设置距离(直行程):  

1、机械设计允许调整范围内,任意值,角行程最小值0-40度,对应4-20mA输出直行程最小值5mm对应4-20mA输出。  

2、工作状态:可逆断续工作1200次/小时  

3、工作环境,温度-20~80℃,相对温度80%  

4、执行标准IEC60259,JB/T8219-1999及参照  

开关型执行器接线步骤:  

(1)将电气装置引出线与另一跨盒的接线端子对应连接,端子连线一定要压接牢固,不允许虚接、短接。(参照电气接线图)1.2、3、21接单相电机引线(绿黄黑0.75AVR)(2、3为正反转引线并联移相电容,21为电机零线)  

(2)40、41接热保护线  

(3)14、11、8为行程开关端子,接上限、下限限位开关常闭触点  

(4)8、19为超力矩端子,接超力矩开关常闭触点  

(5)16、17、18为电位器接线端子  

(6)上述内部端子连接好后再次进行目测并用万用表检查,确保准确无误。  

(7)因电位器为运动部件,应做到正确连线,引线的过长或过短都会引起开路故障,有必要将连接线做固定处理,避开运动部件的影响,比如:行程开关、超力矩滑杆动作对连线的影响。






产品咨询

留言框

  • 产品:

  • 您的单位:

  • 您的姓名:

  • 联系电话:

  • 常用邮箱:

  • 省份:

  • 详细地址:

  • 补充说明:

  • 验证码:

    请输入计算结果(填写阿拉伯数字),如:三加四=7